Product Model
FT-CJ18
Product Introduction
Shouguang Feitian Electronics Co., Ltd. is a high-tech enterprise specializing in the design, research and development and production of piezoelectric ceramic products. The company has a R & D team with rich experience, employs many well-known domestic experts in the piezoelectric ceramic industry, and maintains good cooperative relations with Shandong University, Tsinghua University, Chinese Academy of Sciences, Shanghai Silicate Research Institute and other units.
Product Parameters

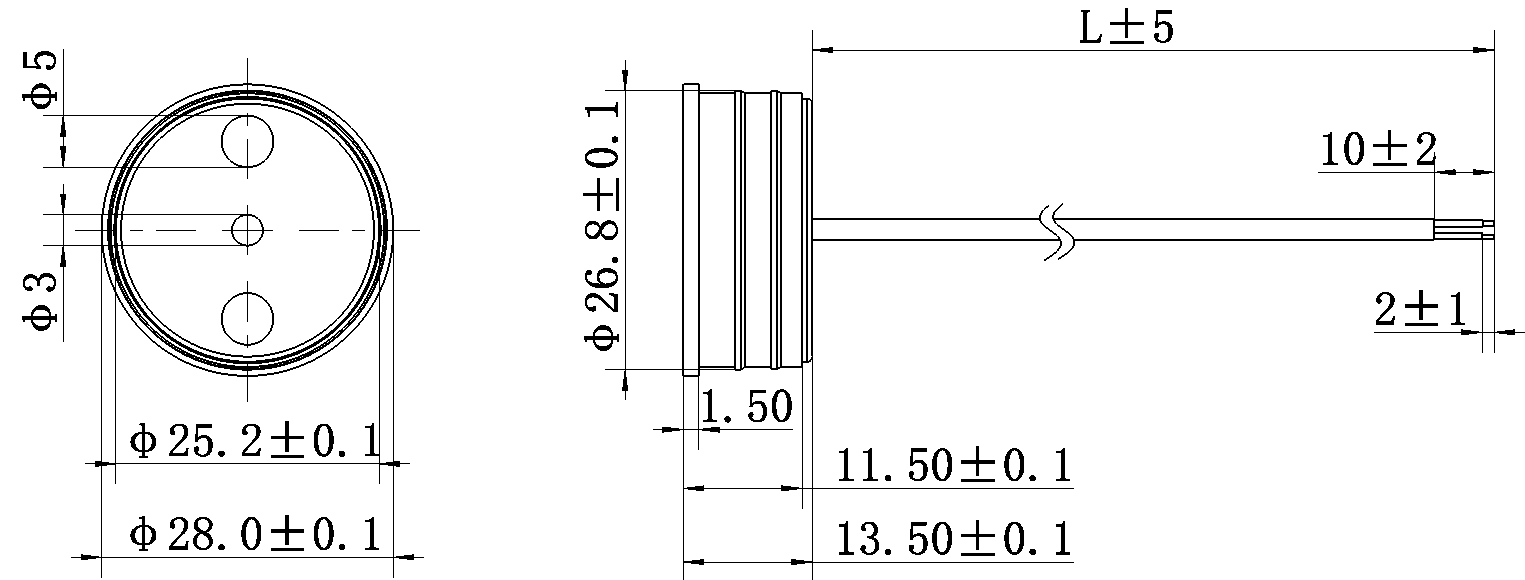
Product Name | FT-CJ18 |
|---|---|
Product Category | integrated sending and receiving |
center frequency | 200.0?KHz±4% |
Capacitance | 450pF±20% |
blind area | 80cm |
Test distance (reference value) | 1m |
Direction angle (reference value) | 10°±2°(-6dB) |
Resolution (reference value) | 1mm |
Shell material | copper shell/nylon |
Operating voltage | 10-30V?DC |
Working temperature | -20 °c ~ 80 °c |
Storage temperature | -20 °c ~ 85 °c |

Product Name | FT-CJ30 |
|---|---|
Product Category | integrated sending and receiving |
center frequency | 120.0?KHz±4% |
Capacitance | 1400pF±20% |
blind area | 200mm |
Test distance (reference value) | 2m |
Direction angle (reference value) | 13°±2°(-6dB) |
Resolution (reference value) | 1mm |
Shell material | Copper shell/PC |
Operating voltage | 10-30V?DC |
Working temperature | -20 °c ~ 60 °c |
Storage temperature | -20 °c ~ 75 °c |
Product
Other Products
We adhere to the "meticulous, fine" service
Create value for customers
Customer demand research
The customer proposes customized functional requirements, and the technical team analyzes the complexity of the requirements and develops a preliminary plan
Product Design and R & D
Complete product prototype design and verification, realize large-scale production and ensure product consistency
Delivery and after-sales service
Provide on-site installation guidance or remote technical support, and provide quality assurance services to quickly respond to troubleshooting needs

中文
EN
